- Projekt inštalácie ústredného kúrenia
- Návrh inštalácie, ktorý by mal obsahovať:
- Montáž zariadení ústredného kúrenia
- Skúška tesnosti
- Radiátory v ústrednom kúrení
Projekt inštalácie co
Dizajn inštalácie je veľmi dôležitý, pretože vďaka nemu budete mať väčšiu šancu, že inštalácia bude vykonaná rýchlo a efektívne a výsledok nás úplne uspokojí. Skontrolujte inštaláciu krok za krokom.
Inštalácia ústredného kúrenia od návrhu po montáž
Samozrejme musíte začať tým, že projekt na inštaláciu co . Tento slogan už znie ako mantra. Našťastie to mnohí investori chápu a oceňujú. A čo je najdôležitejšie - záleží to na srdci.
Projekt inštalácie ústredného kúrenia
V zásade neexistuje žiadny pripravený projekt, ktorý by sa mohol realizovať bez akýchkoľvek úprav. Dokonca aj keď si kúpite projekt dokončeného domu, ktorý zahŕňa aj projekt pripraveného vykurovania, zvyčajne si vyžaduje prispôsobenie sa novým podmienkam:
- výpočet potreby tepla, ak to umožňuje umiestnenie domu v inej poľskej klimatickej zóne (potom platí iná vypočítaná hodnota teploty - v závislosti od regiónu Poľska - je to od -16 do -24 ° C) alebo izolácia priečok v vzťah k navrhovanému;
- výber správnych parametrov kotla, radiátorov a inštalácií;
- správne usporiadanie celku, napríklad v súvislosti so zmenou využívania niektorých miestností;
- zmeny v spôsobe úpravy zariadenia, čo vyhovuje našim očakávaniam (a nie štatistickej rodine).
Prispôsobenie dizajnu môže mať rôzny rozsah, niekedy je potrebné objednať novú štúdiu. Dôvodom môže byť zámer radikálne zmeniť spôsob ohrevu, napríklad z radiátora na podlahové vykurovanie, z vody na vzduch alebo z kotla privádzaného na energiu pomocou tepelného čerpadla. Keď zadávame projekt individuálneho domu, musíme sa postarať o projekt inštalácie ústredného kúrenia a - v závislosti od zvoleného druhu kúrenia - vybaviť kancelárie rôzne formality.
Prečítajte si tiež:
- Inštalácia ústredného kúrenia Základné informácie o ústrednom kúrení
Návrh inštalácie, ktorý by mal obsahovať:
- výhľady na vyhrievané podlahy s vyrytými radiátormi, rozvody drôtov a stúpačiek alebo rozvodné skrinky;
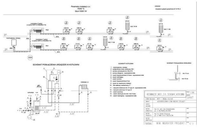
- vývoj inštalácie (kreslenie zdroja tepla, potrubí a radiátorov, s výnimkou stien budovy) s vyznačeným tepelným výkonom a veľkosťou radiátorov, priemerov káblov, nastavení všetkých prvkov automatického riadenia, uzatváracích ventilov, drenáží, vetrania atď. - by mal vykonať odborník a podpísať osobou oprávnenou navrhovať sanitárne zariadenia (plynová alebo olejová kotolňa), plyn (inštalácia nádrže a plynové pripojenie) alebo elektrický (inštalácia elektrického zdroja kúrenia). V súlade s požiadavkami stavebného zákona musia byť tieto osoby tiež členmi okresnej komory stavebných inžinierov a musia byť poistené pre občianskoprávnu zodpovednosť. Náklady na vypracovanie individuálneho projektu inštalácie, čo je zvyčajne 5 až 7% hodnoty inštalácie v závislosti od jeho zložitosti. Ak sa rozhodneme kúpiť kompletný vykurovací systém v spoločnosti predávajúcej vykurovacie zariadenie a armatúru, často v rámci dohodnutej ceny za materiál, vyberú sa aj parametre inštalácie a jej prevedenie.
Prečítajte si tiež: Schéma inštalácie - najobľúbenejšie riešenia
Návrh ústredného kúrenia a inštalácie teplej úžitkovej vody Inštalácia by sa mala vykonať podľa predchádzajúceho návrhu. Jedným z jeho prvkov je takzvaný vývoj zariadenia, na ktorom sú okrem iného vyznačené výkon a veľkosť radiátorov a priemery drôtov.
Inštalácia ústredného kúrenia od návrhu po montáž
Montáž zariadení ústredného kúrenia
Moderné vykurovacie zariadenia sú zvyčajne usporiadané tak, aby neboli viditeľné po dokončení domu. Niektorí investori sa rozhodnú urobiť sami. Mali by si uvedomiť, že v mnohých prípadoch nie sú dobré úmysly a efektívne ruky dostatočné na správne vykonanie, ale sú potrebné aj špeciálne nástroje, napríklad na rezanie a ohýbanie rúrok, ako aj na zváranie, krimpovanie alebo lisovanie spojov. Je bezpečnejšie uviesť inštaláciu do prevádzky skúsenému technikovi, pokiaľ možno vyškolenému v inštalácii vybraného (projektovaného) systému a vybaveného vhodnými nástrojmi. Za komplexný servis - nákup materiálu a montáž zariadení - zaplatíme menej, ako kompletné materiály sami. Inštalátor nám za celú službu obvykle vyúčtuje 7% DPH. Samostatným nákupom budeme musieť zaplatiť DPH za materiál vo výške 22% (a potom prípadne požiadať o vrátenie časti sumy na daňovom úrade).
Prečítajte si tiež: Inštalácia každý - najčastejšie chyby pri inštalácii
Skúška tesnosti
Ak sa rozhodneme pre inštaláciu ústredného kúrenia, po inštalácii zdroja tepla a potrubí a pred pripojením radiátorov, je potrebné vykonať skúšku tesnosti. Táto záležitosť je obzvlášť dôležitá v prípade radiátorových inštalácií distribuovaných do poterov a podlahového vykurovania, pretože je ťažké nájsť netesnosti v hotovom a pokrytom omietkou alebo podlahou a ešte ťažšie je opraviť.
Tlaková skúška sa musí vykonať v súlade s pokynmi výrobcu potrubia, ktoré by sa mali zahrnúť do pokynov na montáž systému, alebo podľa štandardného postupu stanoveného v „Technické podmienky vykonávania a prijímania inštalácie“. Skúška by sa mala potvrdiť správou podpísanou dodávateľom zariadenia, dozorným inšpektorom a správcom stavby alebo zápisom do protokolu o stavbe.
Prečítajte si tiež: Ústredné ohrev vody: základné rozhodnutia
Radiátory v ústrednom kúrení
Výkon radiátorov potrebných na vykurovanie jednotlivých miestností sa počíta v návrhu (ak je hotový). Zostáva teda estetický a finančný problém, t. J. Výber modelu a výrobcu. Projektant (dodávateľ) by sa mal v tejto veci dohodnúť s investorom, ktorý môže mať špecifické požiadavky, napríklad pokiaľ ide o tvar alebo farbu radiátorov. Najlepšie je pripojiť ich k inštalácii hneď ako sú potrubia rozložené, najmä tie, ktoré sú položené na podlahu, alebo vyrezať rúry z cievky s veľkým prívodom, takže nie je potrebné ich neskôr štukovať. Ak sa rozhodneme zavesiť radiátory, mali by zostať vo výrobnom obale, ktorý ich počas dokončovacích prác chráni pred znečistením alebo poškodením. Môže sa ukázať, že pri niektorých prácach budú musieť byť odstránené, ale pre moderné radiátory s vhodnými pripojovacími súpravami je to mierny problém.
Prečítajte si tiež: Ako zvoliť radiátory pre domácnosť? Čo je dôležité pri výbere radiátorov?